



新产品:电子恒温恒湿器 - 接受预订
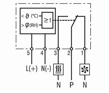
电子恒温恒湿器可同时监测外壳和控制柜内的温度和空气湿度。根据需要切换加热和风扇,防止冷凝。
详细介绍
| 设备类型 | 恒温恒湿器 |
| 调整范围 | 0 °C - 60 °C |
| 接触类型 | 继电器 |
| 防护类型 | IP20 |
| 操作显示 | 发光二极管 |
| 外壳 | 符合 UL94 V-0 标准的塑料,浅灰色 |
| AC/DC | AC |
| 工作电压 | 24 V - 240 V |
| 工作电压公差 | 22 V - 265 V |
| 浪涌电流 | 30 A |
| 浪涌电流持续时间 | 10 s |
| 频率 | 45-65 赫兹 |
| 功耗 | 1 W |
| 开关欧姆电流 | 16 A |
| 欧姆参考电压 | 240 VAC |
| 欧姆参考电压 2 | 120 VAC |
| 开关电感电流 | 1,6 A |
| reference_voltage_inductive | 240 VAC |
| 参考电压 2 | 120 VAC |
| 直流开关欧姆电流 | 0,6 A |
| 直流欧姆参考电压 | 60 VDC |
| 参考电压 | 24 VDC |
| 响应时间 | 3 s |
| 寿命 | >30000 个周期 |
| setting_range_2 | 50 %相对湿度 - 90 %相对湿度 |
| 开关切换差异 | 2 K |
| 切换公差 | ± 1 K |
| 开关切换差异 2 | 4 %相对湿度 |
| 开关切换差异 2 公差 | ± 1 %相对湿度 |
| 工作温度 | -40 °C - 70 °C |
| 工作湿度 | ≤95 %相对湿度 |
| 储存湿度 | ≤95 %相对湿度 |
| 储存温度 | -45 °C - 85 °C |
| 连接 | 5 极接线端子,最大夹紧力矩 0.5 Nm:带 2.5 mm² (AWG 14)电线末端铁箍的多股线/绞合线 |
| 设计 | 转换器 |
| 宽度 | 35 毫米 |
| 深度 | 69,5 毫米 |
| 重量 | 200 g |
| 注意 | 开关欧姆负载(开关电感负载)。与多股线连接时必须使用电线末端铁箍。 |
产品咨询
